Bolt Type Dee Shackle

Bolt Type Dee Shackle

DEE Shackles Bolt Type, Forged Alloy Steel, High Tensile Strength.

  • Finished: Hot dip gray galvanized.
  • Working load limit: Permanently marked on every shackle.
  • Material: Forged high-tensile steel, quenched and tempered, Grade-6.
  • Shackle Size: Capacities 1/2 to 85 metric tons.

Meets the performance requirements of Federal Specification RR-C-271D, Type IVA, Grade A, Class 2, and EN 13889 except for those provisions required of the contractor.

Product Gallery

Technical Features Specification

DEE Shackles Bolt Type, Forged Alloy Steel, High Tensile Strength.

  • Finished: Hot dip gray galvanized.
  • Working load limit: Permanently marked on every shackle.
  • Material: Forged high-tensile steel, quenched and tempered, Grade-6.
  • Shackle Size: Capacities 1/2 to 85 metric tons.

Meets the performance requirements of Federal Specification RR-C-271D, Type IVA, Grade A, Class 2, and EN 13889 except for those provisions required of the contractor.

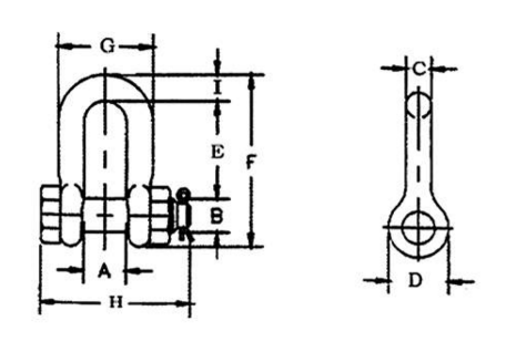
Nominal Size (in.) Working Load Limit (tons) Dimensions (mm) Weight Each (kg) 
A B C D E F G H I 
1/4 1/2 11.9 7.85 6.35 15.5 19.1 40.4 24.6 39.6 6.35 0.06 
5/16 3/4 13.5 9.65 7.85 19.1 25.4 48.5 29.5 46.2 7.85 0.1 
3/8 1 16.8 11.2 9.65 23.1 31 58.5 35.8 55 9.65 0.15 
7/16 1-1/2 19.1 12.7 11.2 26.9 36.1 67.5 41.1 63.5 11.2 0.22 
1/2 2 20.6 16 12.7 30.2 41.4 77 46 71 12.7 0.34 
5/8 3-1/4 26.9 19.1 16 38.1 51 95.5 58.5 89.5 16 0.67 
3/4 4-3/4 31.8 22.4 19.1 46 60.5 115 70 103 20.6 1.14 
7/8 6-1/2 36.6 25.4 22.4 53 71.5 135 81 120 24.6 1.74 
1 8-1/2 42.9 28.7 25.4 60.5 81 151 93.5 135 25.4 2.52 
1-1/8 9-1/2 46 31.8 28.7 68.5 91 172 103 150 31.8 3.45 
1-1/4 12 51.5 35.1 31.8 76 100 191 115 165 35.1 4.9 
1-3/8 13-1/2 57 38.1 35.1 84 111 210 127 183 38.1 6.24 
1-1/2 17 60.5 41.4 38.1 92 122 230 137 196 41.1 8.39 
1-3/4 25 73 51 44.5 106 146 279 162 230 54 14.2 
2 35 82.5 57 51 122 172 312 184 264 51 21.2 
2-1/2 55 105 70 66.5 145 377 377 238 344 66.5 38.6 
3 85 127 82.5 76 165 216 429 279 419 89 56 

Other Products

LIFTING EQUIPMENTS

Request A Quote